- Артикул: 00439098
- Количество в упаковке: 10
- Стандартная упаковка: Россыпь
ALC145.43.12-0-TG3-C7RJ2-10-10-S (1x12) ДОДЭКА
Краткое описание
Код товара у производителя: ALC145.43.12-0-TG3-C7RJ2-10-10-S (1x12)
Производитель: ДОДЭКА
Спецификация
Светодиодный модуль без разъёма 3535 5000K CRI70 1,0 Вт/м*К ДОДЭКА-СВЕТ
Код товара производителя
ALC145.43.12-0-TG3-C7RJ2-10-10-S (1x12)
Наименование класса номенклатуры
Светодиодный модуль
Основные характеристики
P ном.
(номинальная мощность @ Iном.)
36.4 Вт
Число СИД
(кол-во светодиодов)
12 шт
CCT тип.
(коррелированная цветовая температура типовая)
5000 K
Цвет излучения
5000 K
CRI,Ra
(индекс цветопередачи, минимальное значение)
70
Эффективность
164 лм/Вт
I ном.
(номинальный ток)
1000 мА
Схема включения СИД
1Px12S
Наименование СИД
TG-C7-R-J2-D
Материал платы
Al
Теплопроводность печатной платы
1.5 Вт/м*К.
U ном.
(номинальное напряжение @ Iном.)
36.4 В
Диапазон рабочих температур
-30°С…80°С
Разъём
Пайка
Размеры
Размер
(модуля Д х Ш)
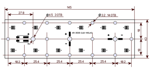
145 x 43 мм
Толщина
(платы)
1.5 мм
Упаковка
Упаковка
(стандартная)
Россыпь
Количество в упаковке
10
Документация и файлы для загрузки
раскрыть всеDatasheets (1)
Datasheet ALC145.43.12-0-TG3-C7RJ2-10-10-S (1x12) Додэка-Свет
Английский язык
pdf
425.03 КБ
ALC145.43.12-0-TG3-C7RJ2-10-10-S (1x12) ДОДЭКА
Аналоги
| Trion | Star 60-700T Lite Trion, Блоки питания для светодиодных светильников, Степень защиты IP: IP20; Гальваническая изоляция: 2 кВ; Диапазон I вых: 700 мА; КПД: 90%; cos φ: 0.98; К пульсаций: 1%; Материал корпуса: металл | В наличии | 706.55 руб./шт. |
|
Star 60-700T Lite Trion
Полная карточка товара
Star 60-700T Lite Trion, Блоки питания для светодиодных светильников, Степень защиты IP: IP20; Гальваническая изоляция: 2 кВ; Диапазон I вых: 700 мА; КПД: 90%; cos φ: 0.98; К пульсаций: 1%; Материал корпуса: металл
Добавить в избранное
В наличии 1 Штука
30 Штук в Россыпи
от 1 шт.
736.21 руб./шт.
от 30 шт.
706.55 руб./шт.
|
|||
Светодиодный модуль ALC145.43.12-0-TG3-C7RJ2-10-10-S (1x12), производителя ДОДЭКА
Ключевые параметры компонента ALC145.43.12-0-TG3-C7RJ2-10-10-S (1x12): TG3 Размер: 145 x 43 мм; P ном.: 36.4 Вт; Число СИД: 12 шт; CCT тип.: 5000 K; CRI,Ra: 70; Эффективность : 164 лм/Вт; I ном.: 1000 мА; U ном.: 36.4 В.
Для оформления заказа запросите "Условия поставки" компонента.
Менеджер компании свяжется с Вами для формирования поставки с наших складов или прямой поставки от производителя ДОДЭКА в минимально возможные сроки.
Для разработчиков новой продукции возможен заказ образца.
Оформить заказ могут только зарегистрированные пользователи сайта Symmetron.ru. Мы работаем только с юридическими лицами.
Ключевые параметры компонента ALC145.43.12-0-TG3-C7RJ2-10-10-S (1x12): TG3 Размер: 145 x 43 мм; P ном.: 36.4 Вт; Число СИД: 12 шт; CCT тип.: 5000 K; CRI,Ra: 70; Эффективность : 164 лм/Вт; I ном.: 1000 мА; U ном.: 36.4 В.
Для оформления заказа запросите "Условия поставки" компонента.
Менеджер компании свяжется с Вами для формирования поставки с наших складов или прямой поставки от производителя ДОДЭКА в минимально возможные сроки.
Для разработчиков новой продукции возможен заказ образца.
Оформить заказ могут только зарегистрированные пользователи сайта Symmetron.ru. Мы работаем только с юридическими лицами.
